Product Summary
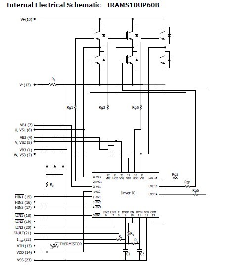
International Rectifiers IRAMS10UP60B is an Integrated Power Module developed and optimized for electronic motor control in appliance applications such as washing machines and refrigerators. Plug N Drive technology offers an extremely compact, high performance AC motor-driver in a single isolated package for a very simple design. An internal shunt is also included and offers easy current feedback and overcurrent monitor for precise and safe operation. A built-in temperature monitor and over-current protection, along with the short-circuit rated IGBTs and integrated under-voltage lockout function, deliver high level of protection and fail-safe operation. The integration of the bootstrap diodes for the high-side driver section, and the single polarity power supply required to drive the internal circuitry, simplify the utilization of the module and deliver further cost reduction advantages.
Parametrics
Absolute maximum ratings: (1)VCES Maximum IGBT Blocking Voltage: 600V; (2)V+ Positive Bus Input Voltage: 450V; (3)Io at TC=25°C RMS Phase Current: 10V; (4)Io at TC=100°C RMS Phase Current: 5A; (5)Ipk Maximum Peak Phase Current (tp<100ms): 15A; (6)Fp Maximum PWM Carrier Frequency: 20 kHz; (7)Pd Maximum Power dissipation per Phase: 20 W; (8)Viso Isolation Voltage (1min): 2000 VRMS; (9)TJ (IGBT & Diodes) Operating Junction temperature Range: -40 to +150℃; (10)TJ (Driver IC) Operating Junction temperature Range: -40 to +150℃; (11)T Mounting torque Range (M3 screw): 0.8 to 1.0Nm.
Features
Features: (1)Internal Shunt Resistor; (2)Integrated Gate Drivers and Bootstrap Diodes; (3)Temperature Monitor; (4)Fully Isolated Package; (5)Low VCE(on) Non Punch Through IGBT Technology; (6)Undervoltage lockout for all channels; (7)Matched propagation delay for all channels; (8)Schmitt-triggered input logic; (9)Cross-conduction prevention logic; (10)Lower di/dt gate driver for better noise immunity; (11)Motor Power range 0.4 TO 0.75kW / 85 to 253 Vac; (12)Isolation 2000VRMS /1min.
Diagrams

| Image | Part No | Mfg | Description | ![]() |
Pricing (USD) |
Quantity | ||||||||||||
|---|---|---|---|---|---|---|---|---|---|---|---|---|---|---|---|---|---|---|
![]() |
![]() IRAMS10UP60B |
![]() International Rectifier |
![]() Motor / Motion / Ignition Controllers & Drivers |
![]() Data Sheet |
![]()
|
|
||||||||||||
![]() |
![]() IRAMS10UP60B-2 |
![]() International Rectifier |
![]() Motor / Motion / Ignition Controllers & Drivers |
![]() Data Sheet |
![]()
|
|
||||||||||||
![]() |
![]() IRAMS10UP60B-4 |
![]() International Rectifier |
![]() Motor / Motion / Ignition Controllers & Drivers |
![]() Data Sheet |
![]()
|
|
||||||||||||
![]() |
![]() IRAMS10UP60B-3 |
![]() International Rectifier |
![]() Motor / Motion / Ignition Controllers & Drivers |
![]() Data Sheet |
![]()
|
|
||||||||||||
(China (Mainland))









